
貼片輕觸開關6*6是目前應用得比較廣泛得產品,其型號規格也比較多。常規使用的貼片輕觸開關6*6型號有:TS-0603、TS-1109、TS-1109D、TS-1109G、TS-1109B、TS-1109W、TS-1109E、TS-1109F、TS-1109C、TS-1109H、TS-1109K、TS-1157、TS-1157B、TS-1158等產品。不知大家對貼片輕觸開關6*6的常見問題及正確使用有多少了解呢?一般來說建議大家不要一直強力按壓,多大的符合重量可能會導致原形面板彈簧的變形,引發動作不良的情況。此外,選擇合適的產品型號也是比較重要的,那么下面就由小編來給大家簡單介紹幾款常用的規格型號的產品吧!
(1)貼片輕觸開關6*6_TS-1109B
貼片輕觸開關6*6_TS-1109B_產品簡介:
高度是:固定的
按鍵頭尺寸是:2.4*2.4
按鍵力度有:160g/250g四種
包裝方式:袋裝(1000PCS/包)
柄:不耐高溫
焊接方式:手工焊接的方式與波峰焊
貼片輕觸開關6*6_TS-1109B_技術參數:
使用范圍溫度:-20℃~80℃
額定值:DC 12V 50mA
接觸電阻:≤30mΩ
絕緣電阻:≥100 MΩ
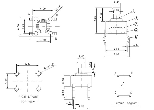
貼片輕觸開關6*6_TS-1109B_參考圖紙:
(2)貼片輕觸開關6*6_TS-1109D
貼片輕觸開關6*6_TS-1109D_產品簡介:
結構:6*6插件輕觸開關,是長兩腳
高度有:4.3/5/5.5-9幾種
按鍵力度:100g/120g/160g/250g四種
包裝方式:袋裝(1000PCS/包)
焊接方式:回流焊,一般都是手工焊接
貼片輕觸開關6*6_TS-1109D_技術參數:
使用范圍溫度:-20℃~80℃
額定值:DC 12V 50mA
接觸電阻:≤30mΩ
絕緣電阻:≥100 MΩ
貼片輕觸開關6*6_TS-1109D_參考圖紙:
(3)貼片輕觸開關6*6_TS-1109C
貼片輕觸開關6*6_TS-1109C_產品簡介:
結構:6*6輕觸開關,是邊兩腳輕觸開關
高度有:4.3/5/5.5-8
力度有:100g/120g/160g/250g四種
包裝方式是:袋裝1000PCS/包
焊接方式:不能過回流焊,一般都是手工焊接
貼片輕觸開關6*6_TS-1109C_技術參數:
使用范圍溫度:-20℃~80℃
額定值:DC 12V 50mA
接觸電阻:≤30mΩ
絕緣電阻:≥100 MΩ
貼片輕觸開關6*6_TS-1109C_參考圖紙:
(4)貼片輕觸開關6*6_TS-0603
貼片輕觸開關6*6_TS-0603_產品簡介:
別稱:6*6硅膠頭無聲開關
動作力:250gf正負80
長寬尺寸為:6*6
高度: 4.3H/5H
開關壽命:10萬次以上
按動效果:厚實無虛空感,靈敏度高
環保:產品符合環保要求
編帶盤裝:一盤2000/PCS
應用:車載DVD,音響,數碼相機,汽車電子,GPS導航儀等產品上面
貼片輕觸開關6*6_TS-0603_技術參數:
環境溫度:-20~ 80度
相對濕度:25% to 85%
額定電負荷:DC12V/50MA
接觸電阻:100毫歐以下
絕緣電阻:100兆歐以上
耐 電 壓:AC250V.50HZ/1min
耐 高 溫:260℃
貼片輕觸開關6*6_TS-0603_機械性能:
驅動力:250±80gf
回彈力度:40gf min
按鈕行程:1.3±0.2mm
可焊性:超過75%的錫焊面積被焊料所覆蓋
機械壽命:100000次
貼片輕觸開關6*6_TS-0603_參考圖紙:
以上就是關于貼片輕觸開關6*6_TS-1109B、TS-1109D、TS-1109C、TS-0603的常用規格型號介紹。除了貼片輕觸開關6*6,我們還有其它規格尺寸的產品,如貼片輕觸開關12*12、貼片輕觸開關3*4、貼片輕觸開關8*8等。如果大家有興趣想要了解這些產品或者對以上講解的內容 又是那些不明白的地方,歡迎咨詢我們的在線客服專員或者致電聯系我們呢!由于時間關系,關于貼片輕觸開關6*6的產品介紹就先給大家講解到這里了!

Copyright © 廣東精密龍電子科技有限公司 版權所有 粵ICP備17035144號 粵公網安備44130202001184號
全國服務電話:0755-83205533 傳真:0755-83761155
公司地址:深圳市龍崗區龍崗大道8288號深圳大運軟件小鎮45棟2樓

